+7 (343) 288-51-15+7 (992) 343-18-34

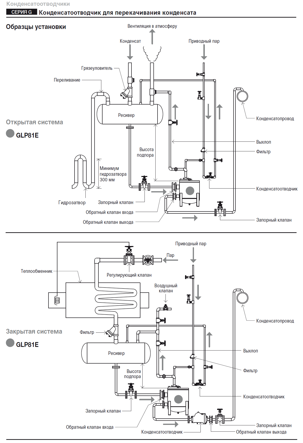
Схемы закрытой и открытой станции сбора возврата конденсата

Схемы закрытой и открытой станции сбора возврата конденсата

Напишите нам

Эффективность производства — это ключевой момент для предприятий, и многие сегодня проводят серьезную работу по поиску источников экономии и рационализации производственных затрат. А поскольку экономия ресурсов снижает затраты, она напрямую влияет на вашу прибыль.

Как вас зовут?
Ваш Email для ответа
Комментарий

Поставка оборудования

во все регионы России и Казахстана.

Быстрая доставка

Наличие собственного склада в г. Екатеринбурге

ТЕХНИЧЕСКАЯ ПОДДЕРЖКА И КОНСУЛЬТАЦИИ

в течение всего срока использования MIYAWAKI

MIYAWAKI

Эксклюзивный представитель в России и Казахстане.

Заказ звонка

Оставьте номер телефона и наши менеджеры перезвонят вам в ближайшее время

Нажимая Перезвоните мне, соглашаюсь c политикой конфиденциальности